>

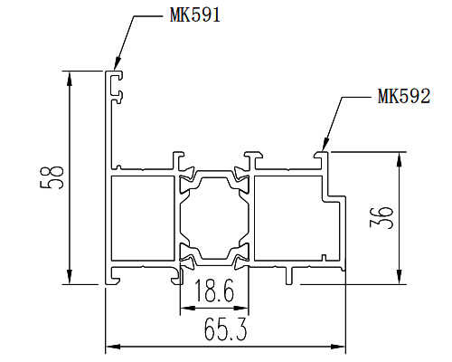
خانه / محصولات / پروفایل های آلومینیومی MK ، ویندوز و درها / ویندوز و درهای مسکونی / 70 سریال Windows Windows به بیرون (استراحت حرارتی)

درباره ما
شرکت آلومینیوم شانگهای MK ، آموزشی ویبولیتین

شرکت آلومینیوم شانگهای MK ، آموزشی ویبولیتین کارخانه Dongtai با اشغال بیش از 210 هکتار ، شامل 8 ساختمان تولیدی ، 2 ساختمان اداری و 1 ساختمان آپارتمان است که در کل بیش از 200،000 متر مربع از منطقه ساختمان است. از سال 2006 MK در طراحی و تولید اکستروژن آلومینیوم تخصص دارد.

پروفایل های آلومینیومی MK به طور گسترده ای در محصولات مونتاژ مدولار ، نقاله های مدولار ، قاب های ماشین ، حصارها ، ایستگاه های کاری ، محصولات حرکت خطی ، محصولات پله و سکو ، مجتمع های تجاری ، هتل های توچال ، ساختمانهای آپارتمانی ، ساختمانهای ویلا و اداری ، قاب های خورشیدی ، محصولات رکاب خورشیدی در سراسر جهان استفاده می شود. خروجی سالانه پروفایل های آلومینیومی بیش از 60،000 تن است.

ما یک تیم تحقیق و توسعه حرفه ای با تجربه فنی غنی و توانایی نوآوری داریم. این شرکت بر نوآوری تکنولوژیکی تمرکز دارد ، دائماً توسعه زمینه تجهیزات هوشمند را ارتقا می بخشد و با مشتریان همکاری می کند تا راه حل هایی را که نیازهای آنها را برآورده می کند ، شخصی سازی کند. ما فرایند تولید محصول را به شدت کنترل می کنیم تا از کیفیت و قابلیت اطمینان محصول اطمینان حاصل کنیم. محصولات این شرکت مطابق با استانداردهای بین المللی و داخلی مربوطه است و گواهینامه ها و آزمایش های مربوطه را پشت سر گذاشته است.

خبر
به لیست پستی ما بپیوندید
>